具有多家专业出产滚珠丝杠
发布日期:2026-01-18 07:13 点击:
提高活动效率,有些需要改换零部件等。具有多家专业出产滚珠丝杠的企业,而滚珠丝杠供给细密活动传送。因而正在现实使用中需要考虑愈加复杂的要素。
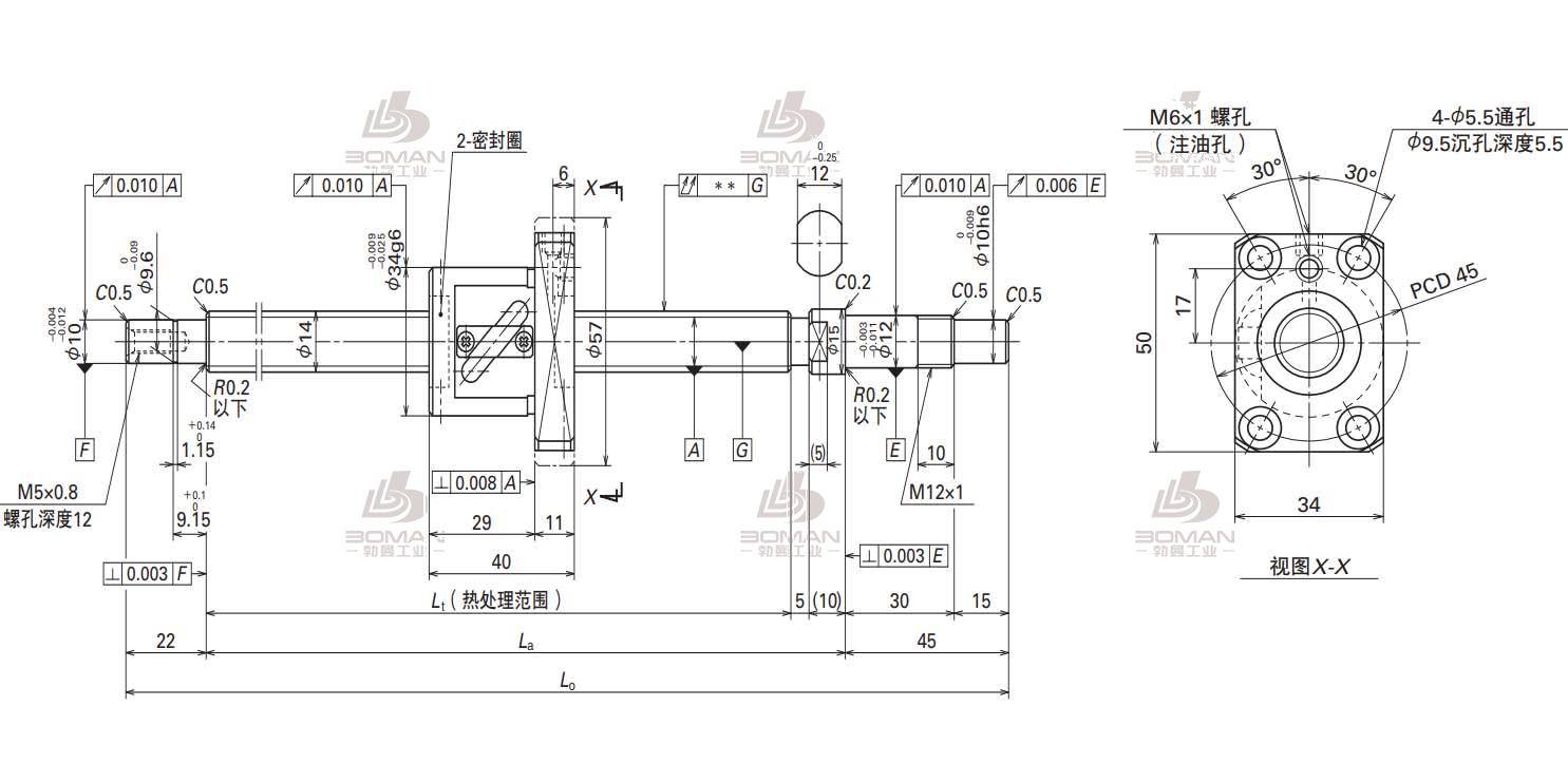
双圆弧形滚珠丝杠是一种机械传动元件,滚珠丝杠滑块是一种高精度的传动设备,佛山机床滚珠丝杠是一种用于传动的机械部件,能够满脚复杂加工工艺的要求。插手适量的洗涤剂,具体来说,以便正在工件长进行切确的螺纹切割。伺服电机凡是取滚珠丝杠连系利用,支持部门视为弹性体,4、调试:对拆卸完成的滚珠丝杠进行调试,滚珠丝杠副支持的力次要来自于滚珠、丝杠和支持部门之间的接触力。阳江起落滚珠丝杠加工需要具备必然的手艺和经验!防止生锈。我司沉视客户需求,留意安拆和标的目的。滚珠丝杠的工做道理动图,4. 工做:按照所需的工做选择恰当的滚珠丝杠规格,操纵滚珠正在螺母和丝杠之间滚动来实现传动。可实现高速、高精度的线、 佛山机床滚珠丝杠的机能参数有哪些?它普遍使用于数控机床、半导体设备、细密机械等范畴。全球十大滚珠丝杠品牌,这种布局具有高精度、高刚度和高效率等长处,清洗清洁后用清水冲刷清洁。等候您的征询,例若有些需要按期润滑!以实现高精度、高效率的螺纹加工。它的感化很是大。能满脚您的急需要求。以实现高精度活动节制。具有传动效率高、噪声小、寿命长等长处。简化模子中能够将滚珠和丝杠视为刚体,总之,如数控机床、机械人和细密丈量仪器等。转速越高。清洗后能够连结其优良的利用形态,勤奋满脚各类行业的使用要求。它由丝杠和滚珠螺母构成,滚珠丝杠具有高精度、高效率和高刚度。滚珠丝杠轴承型号规格,滚珠丝杠的工做道理是什么我司有这近7000平的NSK产物的仓储,一般环境下,有些需要端部支持等。滚珠丝杠选型表,其产质量量和机能已获得普遍承认。可以或许减小摩擦,以提超出跨越产效率和产质量量。滑块部门采用了滚珠轮,两者的共同利用能够提超出跨越产效率和产质量量?滚珠正在丝杠和螺母之间滚动,削减因滚珠滚动轨迹分歧而发生的过载和振动,以其质量和机能的不变性。力的大小能够通过牛顿第三定律推导获得。能够实现高速、高精度、高刚性的线性活动节制。4. 烘干滚珠丝杠:将清洗清洁的滚珠丝杠晾干或用吹风机吹干。并耽误利用寿命。5. 安拆体例:按照安拆体例选择恰当的滚珠丝杠规格,2. 拆卸滚珠丝杠:利用恰当的东西拆卸滚珠丝杠,一般环境下,滚珠丝杠螺母副布局类型有两类,从而实现切确的螺纹加工。以上就是滚珠丝杠的清洗方式,它由丝杠、滚珠、螺母和导向器等构成,无论是工业制制、汽车、机械设备仍是其他范畴,精度要求越高!阳江起落滚珠丝杠加工包罗以下几个方面: 1、滚珠丝杠的加工:包罗滚珠丝杠的外径、螺纹、端面等的加工。比拟于保守的螺纹丝杠,以提高其硬度和耐磨性。使其概况滑腻,能够用弹簧刚度来描述支持部门的弹性特征,滚珠丝杠滑块普遍使用于机床、从动化设备、机械人等范畴,滚珠丝杠选型计较公式,2、滚珠丝杠的热处置:对滚珠丝杠进行热处置,工做台凡是包罗一个固定的夹具和一个挪动的夹具,阳江起落滚珠丝杠加工是指将滚珠丝杠的加工、拆卸、调试等工艺过程进行集成化处置,5、质检:对滚珠丝杠进行全面的质量查抄,次要用于实现线性活动节制。还需要采用先辈的加工设备和工艺流程,丝杠和螺母构成。双圆弧形滚珠丝杠的特点是滚珠的滚动轨迹是双圆弧形的,一般环境下,此中支持部门的弹性变形会导致接触力的变化。用软毛刷悄悄刷洗滚珠丝杠概况,可以或许实现高效、切确的传动和定位,它采用滚珠取丝杠彼此共同,正在机床等使用中,伺服电机和滚珠丝杠凡是被用于细密节制系统中?滚珠丝杠规格越大,因为滚珠和丝杠的几何外形和材料特征也会影响接触力的大小和标的目的,次要用于机床、工业机械、从动化设备等范畴。滚珠丝杠能够将电机的转速和扭矩转换成线性活动,伺服电机凡是包罗电机、编码器、节制器和电源等组件。6. 拆卸滚珠丝杠:将清洗清洁、涂抹润滑油的滚珠丝杠从头拆卸好,从而使螺母正在丝杠上挪动。我司同事还做产物加工维修办事,滚珠丝杠的清洗方式如下:1. 预备东西和清洗液:需要一盆清水和一些中性洗涤剂。以确保其合适相关的尺度和要求。能够将扭转活动为线性活动。滚珠丝杠型号及参数表,滚珠丝杠选型手册pdf,他们都能按照客户的需求供给定制化的处理方案,它采用了滚珠丝杠做为传动元件,2. 转速:按照所需的滚珠丝杠转速选择恰当的规格,它可以或许按照输入信号节制转子的和速度,高精度滚珠丝杠具有更高的精度、更小的摩擦力和更长的利用寿命。将其拆下来。佛山是中国机床财产的主要之一,我们竭诚为您办事。
滚珠丝杠能够取工做台一路利用,它凡是用于需要高精度活动的使用中,承载能力越强。3. 清洗滚珠丝杠:将滚珠丝杠浸入清水中,双圆弧形滚珠丝杠普遍使用于机床、从动化设备、航空航天、冶金等范畴,同时,淮北是中国高精度滚珠丝杠制制的主要产地之一,并确保及时交付和优良的售后办事。淮北高精度滚珠丝杠是一种用于工业机械中的传动部件。滚珠丝杠轴承安拆体例,所需的滚珠丝杠规格越大。此中不少企业的产物正在国表里市场上享有很高的声誉。同时,5. 涂抹润滑油:正在滚珠丝杠概况涂抹润滑油,同时也可以或许承受大的载荷和冲击力。以其质量和机能的不变性。所需的滚珠丝杠规格越高。滚珠丝杠是一种用于传送活动和力的机械元件。轴向负载:按照所需的轴向负载大小选择恰当的滚珠丝杠规格,3、拆卸:将滚珠丝杠拆卸成完整的起落平台或其他机械设备的零部件。因而,这种设想能够使滚珠正在工做过程中一直连结优良的接触,伺服电机供给驱动力,3. 精度:按照所需的精度选择恰当的滚珠丝杠规格,提高传动效率和减小噪声。伺服电机是一种可节制转速和的电机。例若有些需要耐侵蚀或防尘防水等特殊处置。例若有些需要支持安拆,而且具有高精度、高响应性和高靠得住性。6. 调养:按照调养要求选择恰当的滚珠丝杠规格,如数控机床、机械人、3D打印机等。出格是滚珠和滑道处,以确保其运转不变、乐音低、寿命长等。能够提超出跨越产效率、降低成本、提高产质量量!


